AC voltage input,power Transmitter(1 channel)
CZDL-VAC-370A  AC voltage input,power Transmitter(1 channel)
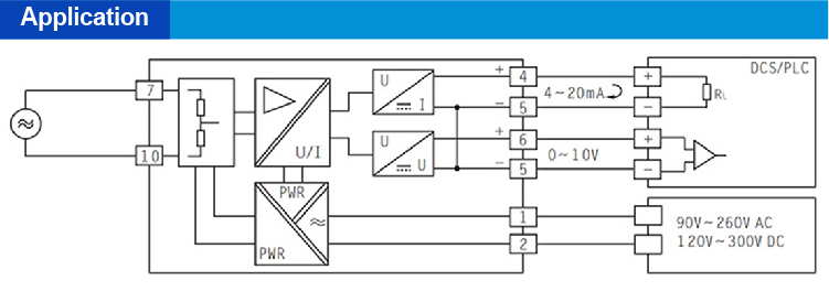
Based on Averaging RMS. Power transmitter, realize transmission of AC voltage, can transfer complicated current into industry standard output. The product needs an independent power supply. Input, output and power supply are each galvanically isolated. Dielectric strength between input side and power, output is 4kV. Compact shell structure,DIN35mm rail mounting,Variety current, voltage output selectable.
Number of channels:
1input/1output
Input signal:
0~120VAC
0~250VAC
0~500VAC
Output signal:
0~5V
0~10V
1~5V
0~20mA
4~20mA
Power Supply Mode:
220VAC
CZDL-VAC-370A
Product details
Technichal Data
Download
click to consult
contrast
enquire

AC voltage input,power Transmitter(1 channel)

AC voltage input,power Transmitter(1 channel)



Product Name  CZDL-VAC-370A Transmitter
Number of channels  1
Supply voltage(Ue)  90~260V AC; 120~300V DC
Input signal  AC Voltage
Output signal  current;voltage
Weight
 Approx 75g


AC voltage input,power Transmitter(1 channel)

AC voltage input,power Transmitter(1 channel)

AC voltage input,power Transmitter(1 channel)


General
Input data
Output data
Power supply
Dimensions
Housing
EMC data
Operating conditions
Connection data
Installation
General
Number of channels 1
Dielectric strength input~output、power supply 2500V AC,50Hz,1min power supply~output 1500V AC,50Hz,1min
Output accuracy(20°C) 0.5% F.S.
Temperature drift 0.02% F.S./℃
Response time Reach 90% of final value in 330ms
Electromagnetic compatibility According to IEC 61326-1(GB/T 18268)
Weight Approx 75g
Input data
Input signal AC Voltage
Input impedance 100kΩ;200kΩ;240kΩ;500kΩ;1MΩ
Input voltage 0~48V AC;0~100V AC;0~120V AC;0~250V AC;0~500V AC
Max.input voltage 1.2×Un(continues);2×Un(1minute)
Input frequency range 40Hz~400Hz(sine)
Output data
Output signal current;voltage
Output current 0~20mA;4~20mA
Max.output current 30mA
Current output load resistance RL≤550Ω
Output voltage 0~10V;0~5V;1~5V
Max.output voltage 15V
Voltage output load resistance RL≥300kΩ
Power supply
Supply voltage(Ue) 90~260V AC; 120~300V DC
Rated power consumption ≤3VA
Power connecting mode Terminal
Dimensions
Depth 65.5mm
Height 99.0mm
Width 22.5mm
Housing
Material PC
Degree of protection IP20
Flammability rating UL94/V0
Colour gray
EMC data
Electrical fast transient/burst immunity According to:IEC 61326-1
Surge immunity According to:IEC 61326-1
Radiated,radio-frequency,electromagnetic field immunity According to:IEC 61326-1
Electrostatic discharge immunity According to:IEC 61326-1
Immunity to conducted disturbances, induced by radio-frequency fields According to:IEC 61326-1
Immunity to conducted, common mode disturbances in the frequency range 0 Hz to 150 kHz According to:IEC 61326-1
Operating conditions
Ambient temperature -20℃~+60℃
Storage temperature -40℃~+80℃
Relative humidity 10%~90%
Environmental requirements The air should not contain any medium corrupting the coat of chrome,nickel and silver.Moreover,violent quiver and impact or any cause of electromagnetic induction (such as big current or spark,etc.)must be avoided when using
Connection data
Conductor cross section solid range 0.5~2.5mm²
Conductor cross section flexible range 0.5~2.5mm²
Conductor cross section AWG min. 12
Conductor cross section AWG max. 24
Stripping length 8mm
Screw thread M3
Connection method Screw connection
Tightening torque min. 0.5 Nm
Tightening torque max. 0.6 Nm
Installation
Mounting type DIN35mm
"Hey, let's talk about your concerns~"
I Want To Ask Questions
Cancel
Submit
Select All
No.
Type
Name/Description
Language
Download
1
2
3
go contrast
empty contrast
My Enquiry 021-64360668
phone
QQ
QQ
电话
My Enquiry
0
Top
Top