Power Transmitter(1 channel)
ESC-I-60  Power Transmitter(1 channel)
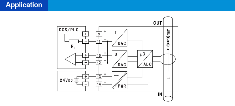
Variety voltage, current output selectable,Output signal can be characterized by direction of DC current,Measurement range is selectable.
Number of channels:
1input/1output
Input signal:
0~40AAC
Output signal:
0~5V
Power Supply Mode:
24VDC
ESC-I-60
Product details
Technichal Data
Download
click to consult
contrast
enquire

Power Transmitter(1 channel)

Power Transmitter(1 channel)


Product Name  ESC-I-60 Transmitter
Number of channels  1
Supply voltage(Ue)  20~30V DC
Input signal  DC Current;AC Voltage
Output current  0~20mA;4~20mA
Weight  Approx 100g


Power Transmitter(1 channel)

Power Transmitter(1 channel)

Power Transmitter(1 channel)


General
Input data
Output data
Power supply
Dimensions
Housing
EMC data
Operating conditions
Connection data
Installation
General
Number of channels 1
Dielectric strength 4000V AC;1minute(among power supply ,input and output ),1500V AC;1minute(between power supply,output )
Output accuracy(20°C) 0.5%F.S.
Temperature drift 0.03%F.S./℃
Response time Reach 90% of final value in 330ms
Electromagnetic compatibility According to IEC 61326-1(GB/T 18268)
Weight Approx 100g
Input data
Input signal DC Current;AC Voltage
Input current 0~40A;0~50A;0~60A
Max.input current Depending on the input current-carrying wire
Input frequency range 15Hz~400Hz
Output data
Output signal current;voltage
Output current 0~20mA;4~20mA
Max.output current <22mA
Current output load resistance RL≤550Ω
Output voltage 0~10V;0~5V;1~5V
Max.output voltage ±12V
Voltage output load resistance RL≥10kΩ
Power supply
Supply voltage(Ue) 20~30V DC
Current consumption ≤50mA (at 24Vdc supply,20mA output)
Rated power consumption ≤1.2W
Power connecting mode Terminal
Dimensions
Depth 114.5mm
Height 99.0mm
Width 22.5mm
Housing
Material PC
Degree of protection IP20
Flammability rating UL94/V0
Colour green
EMC data
Electrical fast transient/burst immunity According to:IEC 61326-1
Surge immunity According to:IEC 61326-1
Radiated,radio-frequency,electromagnetic field immunity According to:IEC 61326-1
Electrostatic discharge immunity According to:IEC 61326-1
Immunity to conducted disturbances, induced by radio-frequency fields According to:IEC 61326-1
Immunity to conducted, common mode disturbances in the frequency range 0 Hz to 150 kHz According to:IEC 61326-1
Operating conditions
Ambient temperature -20℃~+60℃
Storage temperature -40℃~+80℃
Relative humidity 10%~90%
Environmental requirements The air should not contain any medium corrupting the coat of chrome,nickel and silver.Moreover,violent quiver and impact or any cause of electromagnetic induction (such as big current or spark,etc.)must be avoided when using
Connection data
Conductor cross section solid range 0.5~2.5mm²
Conductor cross section flexible range 0.5~2.5mm²
Conductor cross section AWG min. 12
Conductor cross section AWG max. 24
Stripping length 8mm
Screw thread M3
Connection method Screw connection
Tightening torque min. 0.5 Nm
Tightening torque max. 0.6 Nm
Installation
Mounting type DIN35mm
"Hey, let's talk about your concerns~"
I Want To Ask Questions
Cancel
Submit
Select All
No.
Type
Name/Description
Language
Download
1
Manual
Chinese
2
Manual
English
1
2
3
go contrast
empty contrast
My Enquiry 021-64360668
phone
QQ
QQ
电话
My Enquiry
0
Top
Top