RTD,Isolator(1 channel)
CZ3576  RTD,Isolator(1 channel)
1input/2outputs,Signal types and measurement range can be programmed, the conversion accuracy of up to 0.1%, super range, disconnection detection and alarm function.
Number of channels:
1input/2outputs
Input signal:
Pt100
Output signal:
0~20mA
4~20mA;
0~5V
1~5V
Power Supply Mode:
24VDC
Power Connection Mode:
Bus Power Supply
CZ3576
Product details
Technichal Data
Download
click to consult
contrast
enquire

RTD,Isolator(1 channel)

RTD,Isolator(1 channel)



Product Name  CZ3576 Isolator
Number of channels  1 input/2 outputs
Supply voltage(Ue)  20~35V DC
Input signal  Pt100;Cu50;Cu100
Output signal
 0~20mA;4~20mA;0~5V;1~5V
Weight  Approx 150g
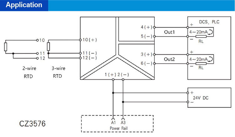
Field apparatus  2-RTD;3-wire RTD


RTD,Isolator(1 channel)

RTD,Isolator(1 channel)

RTD,Isolator(1 channel)


General
Input data
Output data
Power supply
Dimensions
Housing
EMC data
Operating conditions
Connection data
Installation
General
Number of channels 1input/2outputs
Dielectric strength 1500V AC;1minute(among power supply ,input and output )
Temperature drift 0.01%F.S./℃
Response time Reach 90% of final value in 1s
Insulation resistance ≥100MΩ;500V DC(among power supply,input,output and the shell)
Electromagnetic compatibility According to IEC 61326-1(GB/T 18268)
Weight Approx 150g
Field apparatus 2-wire RTD;3-wire RTD
Input data
Input signal Pt100;Cu50;Cu100
Output data
Output signal 0~20mA;4~20mA;0~5V;1~5V
Current output load resistance RL≤300Ω
Voltage output load resistance RL≥20kΩ
Alarm indication Lower than range, LED YELLOW falshing, output current ≈3.8mA;Higher than range, LED RED falshing, output current ≈20.8mA;Breakage, LED YELLOW and RED falshing alternately, output current ≈20.8mA;Short circuit, LED YELLOW and RED falshing alternately, output current ≈3mA
Power supply
Supply voltage(Ue) 20~35V DC
Power protection Reverse protection of power supply
Current consumption ≤55mA (at 24Vdc supply,20mA output)
Power supply mode Independent power supply
Power connecting mode DIN Rail BUS;Terminal
Dimensions
Depth 114.5mm
Height 99.0mm
Width 17.5mm
Housing
Material PA
Degree of protection IP20
Flammability rating UL94/V0
Colour white
EMC data
Electrical fast transient/burst immunity According to:IEC 61326-1;Class A
Surge immunity According to:IEC 61326-1;Class B
Radiated,radio-frequency,electromagnetic field immunity According to:IEC 61326-1
Electrostatic discharge immunity According to:IEC 61326-1;Class A
Immunity to conducted disturbances, induced by radio-frequency fields According to:IEC 61326-1
Immunity to conducted, common mode disturbances in the frequency range 0 Hz to 150 kHz According to:IEC 61326-1
Operating conditions
Ambient temperature -20℃~+60℃
Storage temperature -40℃~+80℃
Relative humidity 10%~90%
Environmental requirements The air should not contain any medium corrupting the coat of chrome,nickel and silver.Moreover,violent quiver and impact or any cause of electromagnetic induction (such as big current or spark,etc.)must be avoided when using
Connection data
Conductor cross section solid range 0.5~2.5mm²
Conductor cross section flexible range 0.5~2.5mm²
Conductor cross section AWG min. 12
Conductor cross section AWG max. 24
Stripping length 8mm
Screw thread M3
Connection method Screw connection
Tightening torque min. 0.5 Nm
Tightening torque max. 0.6 Nm
Installation
Mounting type DIN35mm
"Hey, let's talk about your concerns~"
I Want To Ask Questions
Cancel
Submit
Select All
No.
Type
Name/Description
Language
Download
1
Software
English
2
Manual
English
1
2
3
go contrast
empty contrast
My Enquiry 021-64360668
phone
QQ
QQ
电话
My Enquiry
0
Top
Top