2 inputs 2 outputs Analog Input Signal Isolator
CZ3036  2 inputs 2 outputs Analog Input Signal Isolator
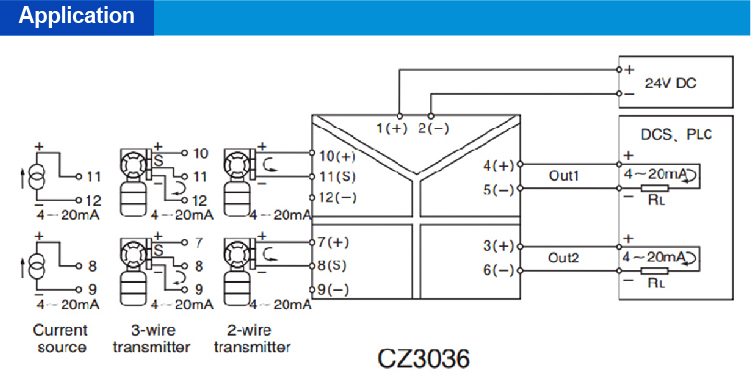
Analog input signal isolator with 2 inputs 2 outputs, conversion accuracy is as high as 0.1%F.S.. Signal isolator connects 2-wire Transmitter, 3-wire Transmitter, Current Source instruments and control systems, match and transform signals, resist various kinds of interference via reliable interference preventing technology, which are used in industry process control system, ensuring systems and instruments working stably and reliably in complex electromagnetic environment.
Number of channels:
2inputs/2outputs
Input signal:
0/4~20mA
Power Distribution:
17.5V/20mA
Output signal:
0/4~20mA
0/1~5V
0/2~10V
Power Supply Mode:
24VDC
Power Connection Mode:
Terminal Power Supply
CZ3036
Product details
Technichal Data
Download
click to consult
contrast
enquire

2 inputs 2 outputs Analog Input Signal Isolator

2 inputs 2 outputs Analog Input Signal Isolator


Product Name  CZ3036 signal isolator
Number of channels  2 inputs 2 outputs
Supply voltage(Ue)  20-35V DC
Input signal  0-20mA,4-20mA
Output current  0-20mA,4-20mA
Field apparatus  2-wire transmitter,3-wire transmitter, current source


2 inputs 2 outputs Analog Input Signal Isolator

2 inputs 2 outputs Analog Input Signal Isolator

2 inputs 2 outputs Analog Input Signal Isolator

Packing information                              


unit packaging size for 1pc of CZ3036 signal isolator:

outer carton for 5 pcs of CZ3036 signal isolator: 17*15*13 cm

outer carton for 10 pcs of CZ3036 signal isolator: 30*18*15 cm

outer carton for 20 pcs of CZ3036 signal isolator: 35*29*14 cm

outer carton for 40 pcs of CZ3036 signal isolator: 35*29*26 cm


FAQ                                                        

Q: What information should I provide before order?

A: Please specify the following information:

1. Which Analog input signal you need? 4-20mA or 0-20mA?

2. Which output signal you need? 4-20mA or 0-20mA or 0/1-5V or 0/2-10V?


Q: How long is your warranty period ?

A: Dedication to our customers and recognition of industry requirements, we announced 5 years warranty at 2 0 1 3 and continues to drive our development of new products and solutions to meet our customers’ needs.


Q: Are you trading company or manufacturer ?

A: We are manufacturer, providing own brand product and also ODM/OEM services. 

Q: How long is your delivery time?

A: ≤ 20 pcs, generally it is 3~7 working days after 100% down-pay; 20-100 pcs, it is 2~4 weeks after 100% down-pay  according to quantity; More than 100 pcs,  pls contact with our support.

Q: What is your terms of payment ?

A: 100% T/T in advance.


CHENZHU EPLAN CZ3036.edz

General
Input data
Output data
Power supply
Dimensions
Housing
EMC data
Operating conditions
Connection data
Installation
General
Number of channels 2inputs/2outputs
Dielectric strength 1500V AC;1minute(among power supply ,input and output )
Output accuracy(20°C) 0.1%F.S.
Temperature drift 0.005%F.S./℃
Response time Reach 90% of final value in 0.5ms
Insulation resistance ≥100MΩ;500V DC(among power supply,input,output and the shell)
Electromagnetic compatibility According to IEC 61326-1(GB/T 18268)
Weight Approx 150g
Field apparatus 2-wire Transmitter,3-wire Transmitter, Current Source
Input data
Input signal 0~20mA;4~20mA
Input impedance ≤50Ω
Max. input current <35mA
Distribution voltage 17.5~25V,current<35mA
Output data
Output current 0~20mA;4~20mA
Current output load resistance RL≤300Ω
Output voltage 0~5V;1~5V;0~10V;2~10V
Voltage output load resistance ≥330kΩ(0~5V);≥330kΩ(1~5V);≥660kΩ(0~10V);≥660kΩ(2~10V)
Power supply
Supply voltage(Ue) 20~35V DC
Power protection Reverse protection of power supply
Current consumption ≤100mA (at 24Vdc supply,20mA output)
Power supply mode Independent power supply
Power connecting mode Terminal
Dimensions
Depth 114.5mm
Height 99.0mm
Width 17.5mm
Housing
Material PA
Degree of protection IP20
Flammability rating UL94/V0
Colour white
EMC data
Electrical fast transient/burst immunity According to:IEC 61326-1;Class A
Surge immunity According to:IEC 61326-1;Class B
Radiated,radio-frequency,electromagnetic field immunity According to:IEC 61326-1
Electrostatic discharge immunity According to:IEC 61326-1;Class A
Immunity to conducted disturbances, induced by radio-frequency fields According to:IEC 61326-1
Immunity to conducted, common mode disturbances in the frequency range 0 Hz to 150 kHz According to:IEC 61326-1
Operating conditions
Ambient temperature -20℃~+60℃
Storage temperature -40℃~+80℃
Relative humidity 10%~90%
Environmental requirements The air should not contain any medium corrupting the coat of chrome,nickel and silver.Moreover,violent quiver and impact or any cause of electromagnetic induction (such as big current or spark,etc.)must be avoided when using
Connection data
Conductor cross section solid range 0.5~2.5mm²
Conductor cross section flexible range 0.5~2.5mm²
Conductor cross section AWG min. 12
Conductor cross section AWG max. 24
Stripping length 8mm
Screw thread M3
Connection method Screw connection
Tightening torque min. 0.5 Nm
Tightening torque max. 0.6 Nm
Installation
Mounting type DIN35mm
"Hey, let's talk about your concerns~"
I Want To Ask Questions
Cancel
Submit
Select All
No.
Type
Name/Description
Language
Download
1
Technical drawings
English
2
Manual
English
3
Manual
English
1
2
3
go contrast
empty contrast
My Enquiry 021-64360668
phone
QQ
QQ
电话
My Enquiry
0
Top
Top