RS-485 Half Duplex to RS-232  Signal convertert,Isolator(1 channel)
CZ3096  RS-485 Half Duplex to RS-232 Signal convertert,Isolator(1 channel)
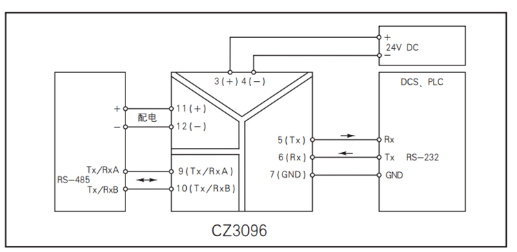
CZ3096 RS-485 Half Duplex to RS-232 Signal converter Communication signal isolator CZ3096 is used to communicate RS-485 digital signals generated on site and in control room, and to supply power to field instruments.The product needs an independent power supply, input circuit,output circuit and power supply are each galvanically isolated.
Number of channels:
1input/1output
Input signal:
RS-485 Half-duplex
Power Distribution:
5V/100mA
6V/100mA
8V/50mA
9V/50mA
12V/50mA
None
Output signal:
RS-232
CZ3096
Product details
Technichal Data
Download
click to consult
contrast
enquire

RS-485 Half Duplex to RS-232  Signal convertert,Isolator(1 channel)

RS-485 Half Duplex to RS-232  Signal convertert,Isolator(1 channel)


Product Name  CZ3096  RS-485 Half Duplex to RS-232  Signal converter Isolator
Number of channels  1 input/1 output
Supply voltage(Ue)  20~35V DC
Input signal  RS-485 half duplex
Output signal  RS-232
Field apparatus  Interface equipment with RS-485


RS-485 Half Duplex to RS-232  Signal convertert,Isolator(1 channel)

RS-485 Half Duplex to RS-232  Signal convertert,Isolator(1 channel)

RS-485 Half Duplex to RS-232  Signal convertert,Isolator(1 channel)

 FAQ                                                                                                           

 

Q: What information should I provide before order?

A:  Please specify the distribution voltage you need:

Distribution voltage: 5V/100mA, 6V/100mA, 8V/50mA, 9V/50mA,12V/50mA, None

 

 

Q: May I ask for a free sample ?

A: Yes. For application purpose, we offer one free sample for our customer. The delivery fee should be taken by the user.

 

Q: Are you trading company or manufacturer ?

A: We are manufacturer, based , providing own brand product and also ODM/OEM services. 


Q: How long is your delivery time?

A: ≤ 20 pcs, generally it is 3~7 working days after 100% down-pay; 20-100 pcs, it is 2~4 weeks after 100% down-pay  according to quantity; More than 100 pcs,  pls contact with our support.

Q: What is your terms of payment ?

A: 100% T/T in advance. 

 

Q: How long is your warranty?

A: 5 years. 

General
Input data
Output data
Power supply
Dimensions
Housing
EMC data
Operating conditions
Connection data
Installation
Others
General
Number of channels 1input/1output
Dielectric strength 1500V AC;1minute(between input and output )
Insulation resistance ≥100MΩ;500V DC(among input,output and the shell)
Electromagnetic compatibility According to IEC 61326-1(GB/T 18268)
Weight Approx 150g
Field apparatus Interface equipment with RS-485
Input data
Input signal RS-485 half duplex
Distribution voltage 5V/100mA;6V/100mA;8V/50mA;9V/50mA;12V/50mA;None
Output data
Drive capability Up to 32 transceivers
Output signal RS-232
Power supply
Supply voltage(Ue) 20~35V DC
Power protection Reverse protection of power supply
Current consumption ≤160mA (at 24Vdc supply,6V/100mA distribution)
Power supply mode Independent power supply
Power connecting mode Terminal
Dimensions
Depth 114.5mm
Height 99.0mm
Width 22.5mm
Housing
Brand PC
Material PC
Degree of protection IP20
Flammability rating UL94/V0
Colour white
EMC data
Electrical fast transient/burst immunity According to:IEC 61326-1
Surge immunity According to:IEC 61326-1
Radiated,radio-frequency,electromagnetic field immunity According to:IEC 61326-1
Electrostatic discharge immunity According to:IEC 61326-1
Immunity to conducted disturbances, induced by radio-frequency fields According to:IEC 61326-1
Immunity to conducted, common mode disturbances in the frequency range 0 Hz to 150 kHz According to:IEC 61326-1
Operating conditions
Ambient temperature -20℃~+60℃
Storage temperature -40℃~+80℃
Relative humidity 10%~90%
Environmental requirements The air should not contain any medium corrupting the coat of chrome,nickel and silver.Moreover,violent quiver and impact or any cause of electromagnetic induction (such as big current or spark,etc.)must be avoided when using
Connection data
Conductor cross section solid range 0.5~2.5mm²
Conductor cross section flexible range 0.5~2.5mm²
Conductor cross section AWG min. 24
Conductor cross section AWG max. 12
Stripping length 8mm
Screw thread M3
Connection method Screw connection
Tightening torque min. 0.5 Nm
Tightening torque max. 0.6 Nm
Installation
Mounting type DIN35mm
Others
Signal level regular Standard RS-485 differential level
Signal transmission delay ≤10μs
Signal transmission rate ≤56kbps
"Hey, let's talk about your concerns~"
I Want To Ask Questions
Cancel
Submit
Select All
No.
Type
Name/Description
Language
Download
1
Manual
Chinese
1
2
3
go contrast
empty contrast
My Enquiry 021-64360668
phone
QQ
QQ
电话
My Enquiry
0
Top
Top